SPIS ZBIORÓW:

  dx70xfmr.gif         -Podłączenie do Alinco lub Kenwood'a.
  ft1000mp.gif         -Podlączenie do Yaesu FT-1000mp i FT-990.
  ft1000mpl.gif        -Podłączenie do Yaesu FT-1000mp.
  ic13acc.gif            -Podłączenie do Icom'a, gniazdo 13 pinowe.
  ic13opto.gif           -Podłączenie do Icom'a, gniazdo 13 pinowe.
  ic8acc.gif               -Podłączenie do Icom'a, gniazdo DIN 8 pinowe (nie mikrofonowe).
  kw13psk.gif          -Podłączenie do Kenwood'a, gniazdo 13 pin (ACCY2).
  kw440.gif              -Podłączenie do Kenwood'a TS-440 - TS-940 - TS-950.
  kwdsrdtr.gif           -Podłączenie do Kenwood'a, gniazdo 8 pinowe.
  kwm_380.gif          -Podłączenie do Collins'a KWM-380.
  mddsrdtr.gif           -Podłączenie do Yaesu lub Kenwood'a, gniazdo 6 pinowe (Mini-Din).
  pttrtdt.gif               -Podłączenie PTT. Komputer-Trx (RTS i DTR).
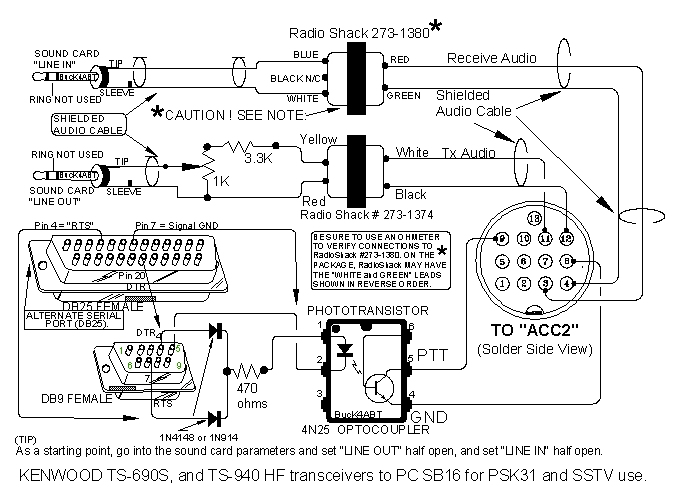
  ts940xfmr.gif         -Podłączenie do Kenwood'a, TS-940 - TS-690S.
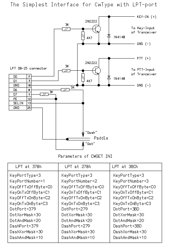
  cwt-lpt.gif               -Interface do CWTYPE w/g UA9OSV na port LPT.
  cwtype.gif               -Interface do CWTYPE w/g UA9OSV na port COM.

Powrót do menu